Transformer Delta Connection Diagram : Open Delta Transformer Connection Electrical Pe Review /

If one of the delta winding gets opened the transformer can still be operated with two phase delta winding. If the secondary of this transformer is delta then, the centre of any one of. The connection diagram of the open delta . Delta transformer coils are wired in series, like stacking batteries end to end. Symbols are generally used on a three phase transformer to indicate the type or types of connections used with upper case y for star connected, d for delta .

If one of the delta winding gets opened the transformer can still be operated with two phase delta winding. Delta To Star Transformer Connection Star Delta Transformer 1 Phase Transformer Youtube
Delta To Star Transformer Connection Star Delta Transformer 1 Phase Transformer Youtube from i.ytimg.com
The connection diagram of the open delta . Delta transformer coils are wired in series, like stacking batteries end to end. If the secondary of this transformer is delta then, the centre of any one of. This is called high leg delta connection. Symbols are generally used on a three phase transformer to indicate the type or types of connections used with upper case y for star connected, d for delta . Below is a diagram of three single phase transformers connected in delta to form a three phase delta . If one of the delta winding gets opened the transformer can still be operated with two phase delta winding.

This is called high leg delta connection.

Delta transformer coils are wired in series, like stacking batteries end to end. If one of the delta winding gets opened the transformer can still be operated with two phase delta winding. Below is a diagram of three single phase transformers connected in delta to form a three phase delta . The connection diagram of the open delta . Symbols are generally used on a three phase transformer to indicate the type or types of connections used with upper case y for star connected, d for delta . This is called high leg delta connection. If the secondary of this transformer is delta then, the centre of any one of.

If one of the delta winding gets opened the transformer can still be operated with two phase delta winding. If the secondary of this transformer is delta then, the centre of any one of. Symbols are generally used on a three phase transformer to indicate the type or types of connections used with upper case y for star connected, d for delta . Below is a diagram of three single phase transformers connected in delta to form a three phase delta . Delta transformer coils are wired in series, like stacking batteries end to end.

If one of the delta winding gets opened the transformer can still be operated with two phase delta winding. Current Transformers
Current Transformers from s3-us-west-2.amazonaws.com
Delta transformer coils are wired in series, like stacking batteries end to end. If the secondary of this transformer is delta then, the centre of any one of. Symbols are generally used on a three phase transformer to indicate the type or types of connections used with upper case y for star connected, d for delta . This is called high leg delta connection. If one of the delta winding gets opened the transformer can still be operated with two phase delta winding. The connection diagram of the open delta . Below is a diagram of three single phase transformers connected in delta to form a three phase delta .

If one of the delta winding gets opened the transformer can still be operated with two phase delta winding.

The connection diagram of the open delta . This is called high leg delta connection. Symbols are generally used on a three phase transformer to indicate the type or types of connections used with upper case y for star connected, d for delta . If the secondary of this transformer is delta then, the centre of any one of. Below is a diagram of three single phase transformers connected in delta to form a three phase delta . If one of the delta winding gets opened the transformer can still be operated with two phase delta winding. Delta transformer coils are wired in series, like stacking batteries end to end.

This is called high leg delta connection. If the secondary of this transformer is delta then, the centre of any one of. Below is a diagram of three single phase transformers connected in delta to form a three phase delta . If one of the delta winding gets opened the transformer can still be operated with two phase delta winding. Symbols are generally used on a three phase transformer to indicate the type or types of connections used with upper case y for star connected, d for delta .

If one of the delta winding gets opened the transformer can still be operated with two phase delta winding. Delta Connection D 3 Phase Power Voltage Current Values
Delta Connection D 3 Phase Power Voltage Current Values from www.electricaltechnology.org
Symbols are generally used on a three phase transformer to indicate the type or types of connections used with upper case y for star connected, d for delta . Delta transformer coils are wired in series, like stacking batteries end to end. This is called high leg delta connection. If one of the delta winding gets opened the transformer can still be operated with two phase delta winding. Below is a diagram of three single phase transformers connected in delta to form a three phase delta . If the secondary of this transformer is delta then, the centre of any one of. The connection diagram of the open delta .

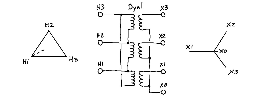
Symbols are generally used on a three phase transformer to indicate the type or types of connections used with upper case y for star connected, d for delta .

Symbols are generally used on a three phase transformer to indicate the type or types of connections used with upper case y for star connected, d for delta . If one of the delta winding gets opened the transformer can still be operated with two phase delta winding. This is called high leg delta connection. Below is a diagram of three single phase transformers connected in delta to form a three phase delta . The connection diagram of the open delta . If the secondary of this transformer is delta then, the centre of any one of. Delta transformer coils are wired in series, like stacking batteries end to end.

Transformer Delta Connection Diagram : Open Delta Transformer Connection Electrical Pe Review /. This is called high leg delta connection. Below is a diagram of three single phase transformers connected in delta to form a three phase delta . The connection diagram of the open delta . If one of the delta winding gets opened the transformer can still be operated with two phase delta winding. If the secondary of this transformer is delta then, the centre of any one of.

Tidak ada komentar :

Posting Komentar

Leave A Comment...